奧迪、大眾等車內門把手為何選用電鍍級PC/ABS?

車內門把手的造型包括長條狀和扣式門把手,其中長條狀門把手為大部分汽車主機廠所喜愛。長條狀門把手由于細長,同等材質情況下較扣式門把手更易被拉斷;在選材方面,長條狀門把手需要考慮選擇強度較高的材料,如:電鍍PA;扣式門把手則一般選擇強度要求不太高的材料,如:電鍍PC/ABS。

圖表1 長條狀內門把手,電鍍PA材料

圖表2 扣式門把手,電鍍PC/ABS
1.ABS樹脂

圖表3 ABS材質門把手
ABS樹脂是車內門把手應用較早。由于力學性能不太好,目前ABS樹脂已很少應用到門把手中。車內門把手用ABS樹脂分為通用型和耐熱型,通用型ABS電鍍性能好,耐熱型ABS樹脂的熱變形溫度一般為90-105℃,并具有良好的剛性、韌性和流動性。
2.PC
PC為工程塑料,其力學性能優良,但是PC的電鍍性能不太好,因而在使用過程中受到了一定的限制。
3.PC/ABS

圖表4 帕薩特PC/ABS內門把手(毛胚和電鍍件)
PC/ABS樹脂是車內門把手發展最快、應用最廣的材料。PC/ABS樹脂為PC和ABS的合金,它具有PC的高強度和ABS的易電鍍性能,主要分為電鍍和噴涂兩種類型。和噴涂PC/ABS樹脂相比,電鍍PC/ABS樹脂表面更具金屬感,看起來更加高檔。
4.PC/PBT
PC/PBT是PC與PBT的共混材料,通常共混造料后,以粒料形狀供應。PC/PBT保持了結晶材料PBT的耐化學性及易于成型的特點,又兼備了非結晶材料PC的韌性和尺寸穩定性。在國內,PC/PBT用于車內門把手不太多。
5.PA(尼龍)
PA的力學性能優良,但其電鍍不夠好和吸水是PA應用在車內門把手的兩大難題。在國外,如:德國對暴拉力的要求很高,電鍍型PA在德系汽車中應用廣泛。國內由于PA電鍍線的技術不太成熟,故使用情況很少!車內門把手用PA一般分為兩類:噴涂型PA和電鍍型PA。電鍍型PA的組成一般為PA+20%礦物。
目前,市場上超過10萬的車,其配置的車內門把手基本上都是電鍍型的;其中電鍍型PC/ABS受到大部分汽車主機廠的歡迎,包括:大眾、奧迪、現代等。
PC/ABS 樹脂廣泛應用于門把手的原因主要是:綜合性能優良。綜合性能優良我們重點闡述一下:
1.PC/ABS綜合性能優良的原因
表1:PC和ABS的優缺點
|
PC |
ABS |
|
|
優點 |
1.沖擊強度高; 2.抗蠕變性和尺寸穩定性好; 3.耐熱,透明,吸水率低; 4.介電性能優良等優點。 |
1.電鍍性能好; 2.較好的耐化學腐蝕性; 3.良好的加工性; |
|
缺點 |
1.加工流動性差; 2.易應力開裂,容易磨損; 3.對缺口敏感,耐化學藥品性差; |
1.耐熱和耐候性差; 2.透明度不好; 3.沖擊強度較低; 4.拉伸強度較低。 |
我們知道PC是工程塑料,PC的優點有機械強度相對較高、耐熱、吸水率低等,但PC電鍍效果不太好、加工性能差;ABS為通用塑料,ABS電鍍效果好、耐化學腐蝕、加工性能良好,但其機械強度不夠、不耐熱。
PC/ABS為PC和ABS的合金,PC/ABS結合了兩者的優點,因而綜合性能優良!
北汽福田的尚紅波介紹:“目前大多數內門把手基本都是電鍍PC/ABS,就國內情況來說,電鍍PC/ABS仍是主流內門把手材料。奧迪及大眾將門把手材料由電鍍PA改為了電鍍PC/ABS材料,其主要原因一個是成本因素,另一個是國內PA電鍍線尚不成熟”。主機廠主要以材料標準及制件造型作為選材依據,再根據兩款料的特點來進行匹配選擇。”
表2:PC/ABS中各組分對電鍍和機械強度的影響
|
電鍍性能 |
機械強度 |
|
|
ABS含量增加 |
增強 |
減小 |
|
PC含量增加 |
減弱 |
增大 |
另一方面,PC/ABS中各組分的含量對該塑料的性能影響巨大(如上表所示)!故平衡機械強度和電鍍性能,使材料綜合性能最佳是一個難點!目前厲害的PC/ABS生產商能夠在保證電鍍基本要求的條件下,可以做到PC含量非常高;從而能大幅度提高材料的機械強度。
他們是怎么做到的?我們從電鍍原理來加以分析
2.如何在各組分不變的情況下,提高電鍍性能?

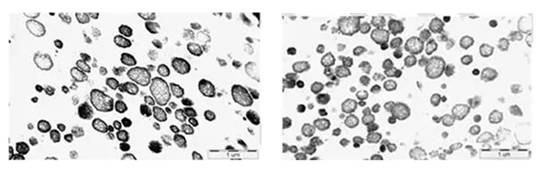
圖表5 PC/ABS的TEM照片
(左:PC/ABS HAC8244,右:立鍍® (Kingplate®),黑色顆粒為1、3-丁二烯,顆粒周圍為SAN+PC連續相)
如上圖所示,PC/ABS樹脂中的丁二烯橡膠分布在連續相中。和左圖相比較,右圖丁二烯橡膠分布更加均勻。

圖表6 左圖:粗化前PC/ABS表面,右圖:粗化后PC/ABS表面
化學粗化時,丁二烯橡膠會被腐蝕溶解,從而形成大量的微孔。如果丁二烯橡膠分布更均勻,那么此系列PC/ABS粗化效果好得多。

圖表7 粗化放大圖
電鍍過程即是在塑料表面形成一層金屬膜。粗化效果越好,則相同尺寸的條件下PC/ABS表面積越大;表面積越大,塑料和金屬層的結合力越大,電鍍效果越好!這就是PC/ABS生產商提高電鍍性能的秘訣!另外,丁二烯橡膠分布均勻還可以一定程度上提高PC/ABS的機械強度。
目前,國內外生產PC/ABS的廠家雖然有很多,但市場上主流的主要有巴斯夫Basf,Sabic,拜耳Bayer,錦湖日麗,LG等公司。下面列舉三個公司常用PC/ABS牌號(標紅部分為用于門把手的牌號):
|
類別 |
Bayer |
Sabic |
錦湖日麗 |
|
一般耐熱,優異加工性 |
T45,T50XF |
C1000 |
PC/ABSHAC8240 |
|
高耐熱 |
T65,T65XF |
C1100 |
PC/ABSHAC8250 |
|
超高耐熱 |
T85,T85XF |
C1200,MC8002,XCY620 |
PC/ABSHAC8260 |
|
電鍍級 |
T45PG |
MC1300 |
PC/ABSHAC8244 PC/ABSHAC8264 |
|
高耐熱,啞光級 |
LG8002 |
PC/ABSHAC8250Z |
|
|
超高耐熱,啞光級 |
LG9000 |
PC/ABSHAC8260Z |
|
|
吹塑擠出級 |
MC8100 |
PC/ABSHAC8250B |
|
|
礦物填充,高耐熱,尺寸穩定性 |
T95MF |
MC8800 |
PC/ABSHAC8250TC |
|
增強級,10%glassfiber |
T88-2N |
C4210,C4010HF |
HAC5010G |
|
增強級,20%glassfiber |
T88-4N |
C4220 |
HAC5020G |


